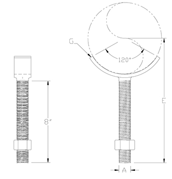
Adjustable Pipe Saddle Support

Hardware>Pipe Saddles & Supports>Part #664                                                                   Download Part #664 Data Sheet

Part #664
Adjustable Pipe Saddle Support

adjustable pipe saddle support                                 adjustable pipe saddle support drawing

Size Range: 2" to 12"
Material: Carbon steel
Finish: Black, Galvanized, or coated to customer specifications
Applications: Stanchion type support where vertical adjustment of stationary pipe is needed.
Ordering: Specify part number, name, finish and pipe size to be supported.

Request a Quote!