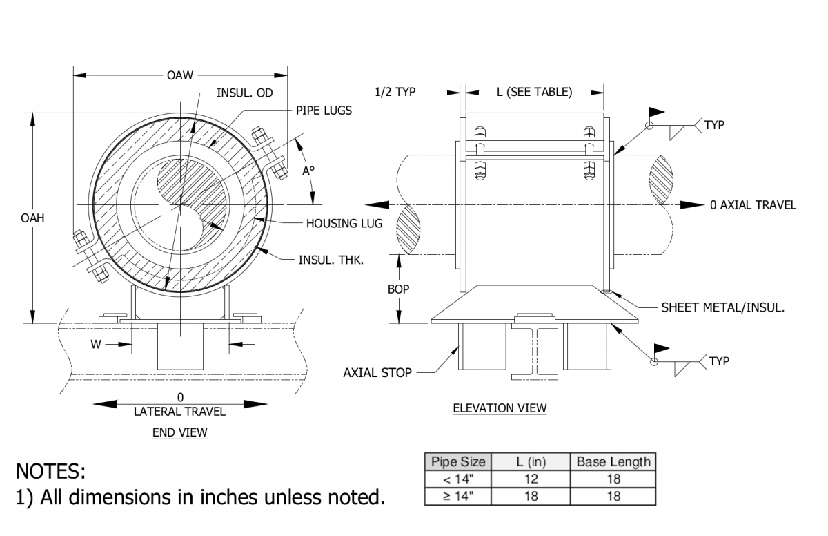
High Temperature Pipe Supports>HA-4100
(Pipe Shields C4100 Equivalent)
HA-4100 High Temperature Anchor Support
|
Applications and Features: |
- Support features calcium silicate insulation with high density calcium silicate structural inserts |
Ordering Instructions:
|
|
PIPE |
VERT (Lbs) |
LAT (Lbs) |
AXIAL (Lbs) |
INSULATION THICKNESS |
|||||||||||||||||||
|
1 |
1-1/2" |
2" |
2-1/2" |
3" |
|||||||||||||||||||
|
BOP (in) |
INSUL OD (in) |
OAW (in) |
OAH (in) |
BOP (in) |
INSUL OD (in) |
OAW (in) |
OAH (in) |
BOP (in) |
INSUL OD (in) |
OAW (in) |
OAH (in) |
BOP (in) |
INSUL OD (in) |
OAW (in) |
OAH (in) |
BOP (in) |
INSUL OD (in) |
OAW (in) |
OAH (in) |
||||
|
1" |
400 |
140 |
640 |
4 |
3.5 |
6.5 |
7 |
4 |
4.5 |
7.5 |
7.5 |
4 |
5.563 |
8 |
8 |
4 |
6.625 |
9 |
8.5 |
6 |
7.625 |
10 |
11 |
|
1‐1/2" |
580 |
205 |
930 |
4 |
4 |
7 |
7.5 |
4 |
5 |
8 |
8 |
4 |
6.625 |
9 |
9 |
4 |
7.625 |
10 |
9.5 |
6 |
8.625 |
11 |
12 |
|
2" |
720 |
255 |
1160 |
4 |
4.5 |
7.5 |
8 |
4 |
5.563 |
8 |
8.5 |
4 |
6.625 |
9 |
9 |
4 |
7.625 |
10 |
9.5 |
6 |
8.625 |
11 |
12 |
|
2‐1/2" |
870 |
305 |
1410 |
4 |
5 |
8 |
8.5 |
4 |
6.625 |
9 |
9.5 |
4 |
7.625 |
10 |
10 |
4 |
8.625 |
11 |
10.5 |
6 |
9.625 |
12 |
13 |
|
3" |
1060 |
375 |
2400 |
4 |
5.56 |
8 |
9 |
4 |
6.625 |
9 |
9.5 |
4 |
7.625 |
10 |
10 |
4 |
8.625 |
11 |
10.5 |
6 |
9.625 |
12 |
13 |
|
4" |
1680 |
590 |
2900 |
4 |
6.625 |
9 |
10 |
4 |
7.625 |
10 |
10.5 |
4 |
8.625 |
11 |
11 |
4 |
9.625 |
12 |
11.5 |
6 |
10.75 |
12.5 |
14 |
|
6" |
2550 |
895 |
3900 |
4 |
8.625 |
12 |
12 |
4 |
9.625 |
12.5 |
12.5 |
4 |
10.75 |
13.5 |
13.5 |
4 |
11.75 |
14.5 |
14 |
6 |
12.75 |
15.5 |
16.5 |
|
8" |
3400 |
1190 |
4850 |
4 |
10.75 |
13.5 |
14.5 |
4 |
11.75 |
14.5 |
15 |
4 |
12.75 |
15.5 |
15.5 |
6 |
14 |
16.5 |
18 |
6 |
15 |
17.5 |
18.5 |
|
10" |
4000 |
1400 |
5850 |
4 |
12.75 |
15.5 |
16.5 |
4 |
14 |
16.5 |
17 |
4 |
15 |
17.5 |
17.5 |
6 |
16 |
18 |
20 |
6 |
17 |
19 |
20.5 |
|
12" |
4400 |
1540 |
6800 |
4 |
15 |
17.5 |
18.5 |
4 |
16 |
18 |
19 |
4 |
17 |
19 |
19.5 |
6 |
18 |
20 |
22 |
6 |
19 |
20.5 |
22.5 |
|
14" |
5000 |
1750 |
7350 |
4 |
16 |
18 |
19.5 |
4 |
17 |
19 |
20 |
4 |
18 |
20 |
20.5 |
6 |
19 |
20.5 |
23 |
6 |
20 |
21.5 |
23.5 |
|
16" |
5800 |
2030 |
8320 |
4 |
18 |
20 |
21.5 |
4 |
19 |
21 |
22 |
6 |
20 |
22 |
24.5 |
6 |
21 |
23 |
25 |
6 |
22 |
23.5 |
25.5 |
|
18" |
6400 |
2240 |
9240 |
4 |
20 |
22 |
23.5 |
4 |
21 |
23 |
24 |
6 |
22 |
23.5 |
26.5 |
6 |
23 |
24.5 |
27 |
6 |
24 |
25.5 |
27.5 |
|
20" |
6800 |
2380 |
10200 |
4 |
22 |
23.5 |
25.5 |
4 |
23 |
24.5 |
26 |
6 |
24 |
25.5 |
28.5 |
6 |
25 |
26.5 |
29 |
6 |
26 |
27 |
29.5 |
|
24" |
7200 |
2520 |
12000 |
4 |
26 |
29.5 |
30 |
4 |
27 |
30.5 |
30.5 |
6 |
28 |
31 |
33 |
6 |
29 |
32 |
33.5 |
6 |
30 |
33 |
34 |
|
30" |
9400 |
3290 |
14900 |
4 |
32 |
34.5 |
36 |
6 |
33 |
35.5 |
38.5 |
6 |
34 |
36.5 |
39 |
6 |
35 |
37.5 |
39.5 |
6 |
36 |
38 |
40 |
|
36" |
11000 |
3850 |
17750 |
4 |
38 |
40 |
42 |
6 |
39 |
40.5 |
44.5 |
6 |
40 |
41.5 |
45 |
6 |
41 |
42.5 |
45.5 |
6 |
42 |
43.5 |
46 |
|
42" |
12400 |
4340 |
20500 |
4 |
44 |
45.5 |
48 |
6 |
45 |
46.5 |
50.5 |
6 |
46 |
47.5 |
51 |
6 |
47 |
48.5 |
51.5 |
6 |
48 |
49.5 |
52 |
|
48" |
14200 |
4970 |
30920 |
4 |
50 |
51.5 |
54 |
6 |
51 |
52.5 |
56.5 |
6 |
52 |
53.5 |
57 |
6 |
53 |
54.5 |
57.5 |
6 |
54 |
55.5 |
58 |
|
56" |
16600 |
5810 |
36140 |
4 |
58 |
59.5 |
62 |
6 |
59 |
60.5 |
64.5 |
6 |
60 |
61.5 |
65 |
6 |
61 |
62.5 |
65.5 |
6 |
62 |
63.5 |
66 |
|
60" |
17800 |
6230 |
38760 |
4 |
62 |
63.5 |
66 |
6 |
63 |
64.5 |
68.5 |
6 |
64 |
65.5 |
69 |
6 |
65 |
66.5 |
69.5 |
6 |
66 |
67.5 |
70 |
|
66" |
19500 |
6825 |
42460 |
4 |
68 |
69.5 |
71 |
6 |
69 |
70.5 |
73.5 |
6 |
70 |
71.5 |
74 |
6 |
71 |
72.5 |
74.5 |
6 |
72 |
73.5 |
75 |
|
72" |
21300 |
7455 |
46380 |
4 |
74 |
75.5 |
78 |
6 |
75 |
76.5 |
80.5 |
6 |
76 |
77.5 |
81 |
6 |
77 |
78.5 |
81.5 |
6 |
78 |
79.5 |
82 |
|
PIPE |
VERT (Lbs) |
LAT (Lbs) |
AXIAL (Lbs) |
INSULATION THICKNESS |
|||||||||||||||||||
|
3-1/2" |
4" |
4-1/2" |
5" |
5-1/2" |
|||||||||||||||||||
|
BOP (in) |
INSUL OD (in) |
OAW (in) |
OAH (in) |
BOP (in) |
INSUL OD (in) |
OAW (in) |
OAH (in) |
BOP (in) |
INSUL OD (in) |
OAW (in) |
OAH (in) |
BOP (in) |
INSUL OD (in) |
OAW (in) |
OAH (in) |
BOP (in) |
INSUL OD (in) |
OAW (in) |
OAH (in) |
||||
|
1" |
400 |
140 |
640 |
6 |
8.625 |
11 |
11.5 |
6 |
9.625 |
12 |
12 |
6 |
10.75 |
12.5 |
12.5 |
8 |
11.75 |
13.5 |
15 |
8 |
12.75 |
14.5 |
15.5 |
|
1‐1/2" |
580 |
205 |
930 |
6 |
9.625 |
12 |
12.5 |
6 |
10.75 |
12.5 |
13 |
6 |
11.75 |
13.5 |
13.5 |
8 |
12.75 |
14.5 |
16 |
8 |
14 |
15.5 |
16.5 |
|
2" |
720 |
255 |
1160 |
6 |
9.625 |
12 |
12.5 |
6 |
10.75 |
12.5 |
13 |
6 |
11.75 |
13.5 |
13.5 |
8 |
12.75 |
14.5 |
16 |
8 |
14 |
15.5 |
16.5 |
|
2‐1/2" |
870 |
305 |
1410 |
6 |
10.75 |
12.5 |
13.5 |
6 |
11.75 |
13.5 |
14 |
6 |
12.75 |
14.5 |
14.5 |
8 |
14 |
15.5 |
17 |
8 |
15 |
16.5 |
17.5 |
|
3" |
1060 |
375 |
2400 |
6 |
10.75 |
12.5 |
13.5 |
6 |
11.75 |
13.5 |
14 |
6 |
12.75 |
14.5 |
14.5 |
8 |
14 |
15.5 |
17.5 |
8 |
15 |
16.5 |
18 |
|
4" |
1680 |
590 |
2900 |
6 |
11.75 |
13.5 |
14.5 |
6 |
12.75 |
14.5 |
15 |
6 |
14 |
15.5 |
16 |
8 |
15 |
16.5 |
18.5 |
8 |
16 |
17.5 |
19 |
|
6" |
2550 |
895 |
3900 |
6 |
14 |
16.5 |
17 |
6 |
15 |
17.5 |
17.5 |
6 |
16 |
18 |
18 |
8 |
17 |
19 |
20.5 |
8 |
18 |
20 |
21 |
|
8" |
3400 |
1190 |
4850 |
6 |
16 |
18 |
19 |
6 |
17 |
19 |
19.5 |
8 |
18 |
20 |
22 |
8 |
19 |
20.5 |
22.5 |
8 |
20 |
21.5 |
23 |
|
10" |
4000 |
1400 |
5850 |
6 |
18 |
20 |
21 |
6 |
19 |
20.5 |
21.5 |
8 |
20 |
21.5 |
24 |
8 |
21 |
22.5 |
24.5 |
8 |
22 |
23.5 |
25 |
|
12" |
4400 |
1540 |
6800 |
6 |
20 |
21.5 |
23 |
6 |
21 |
22.5 |
23.5 |
8 |
22 |
23.5 |
26 |
8 |
23 |
24 |
26.5 |
8 |
24 |
25 |
27 |
|
14" |
5000 |
1750 |
7350 |
6 |
21 |
22.5 |
24 |
6 |
22 |
23.5 |
24.5 |
8 |
23 |
24 |
27 |
8 |
24 |
25 |
27.5 |
8 |
25 |
26 |
28 |
|
16" |
5800 |
2030 |
8320 |
6 |
23 |
24.5 |
26 |
8 |
24 |
25.5 |
28.5 |
8 |
25 |
26.5 |
29 |
8 |
26 |
27 |
29.5 |
8 |
27 |
28 |
30 |
|
18" |
6400 |
2240 |
9240 |
6 |
25 |
26.5 |
28 |
8 |
26 |
27 |
30.5 |
8 |
27 |
28 |
31 |
8 |
28 |
29 |
31.5 |
8 |
29 |
30 |
32 |
|
20" |
6800 |
2380 |
10200 |
6 |
27 |
28 |
30 |
8 |
28 |
29 |
32.5 |
8 |
29 |
30 |
33 |
8 |
30 |
31 |
33.5 |
8 |
31 |
32 |
34 |
|
24" |
7200 |
2520 |
12000 |
6 |
31 |
34 |
34.5 |
8 |
32 |
34.5 |
37 |
8 |
33 |
35.5 |
37.5 |
8 |
34 |
36.5 |
38 |
8 |
35 |
37.5 |
38.5 |
|
30" |
9400 |
3290 |
14900 |
8 |
37 |
39 |
42.5 |
8 |
38 |
40 |
43 |
8 |
39 |
40.5 |
43.5 |
8 |
40 |
41.5 |
44 |
10 |
41 |
42.5 |
46.5 |
|
36" |
11000 |
3850 |
17750 |
8 |
43 |
44.5 |
48.5 |
8 |
44 |
45.5 |
49 |
8 |
45 |
46.5 |
49.5 |
8 |
46 |
47.5 |
50 |
10 |
47 |
48.5 |
52.5 |
|
42" |
12400 |
4340 |
20500 |
8 |
49 |
50.5 |
54.5 |
8 |
50 |
51.5 |
55 |
8 |
51 |
52.5 |
55.5 |
8 |
52 |
53.5 |
56 |
10 |
53 |
54.5 |
58.5 |
|
48" |
14200 |
4970 |
30920 |
8 |
55 |
56.5 |
60.5 |
8 |
56 |
57.5 |
61 |
8 |
57 |
58.5 |
61.5 |
8 |
58 |
59.5 |
62 |
10 |
59 |
60.5 |
64.5 |
|
56" |
16600 |
5810 |
36140 |
8 |
63 |
64.5 |
68.5 |
8 |
64 |
65.5 |
69 |
8 |
65 |
66.5 |
69.5 |
8 |
66 |
67.5 |
70 |
10 |
67 |
68.5 |
72.5 |
|
60" |
17800 |
6230 |
38760 |
8 |
67 |
68.5 |
72.5 |
8 |
68 |
69.5 |
73 |
8 |
69 |
70.5 |
73.5 |
8 |
70 |
71.5 |
74 |
10 |
71 |
72.5 |
76.5 |
|
66" |
19500 |
6825 |
42460 |
8 |
73 |
74.5 |
77.5 |
8 |
74 |
75.5 |
78 |
8 |
75 |
76.5 |
78.5 |
8 |
76 |
77.5 |
79 |
10 |
77 |
78.5 |
81.5 |
|
72" |
21300 |
7455 |
46380 |
8 |
79 |
80.5 |
84.5 |
8 |
80 |
81.5 |
85 |
8 |
81 |
82.5 |
85.5 |
8 |
82 |
83.5 |
86 |
10 |
83 |
84.5 |
88.5 |
|
PIPE |
VERT (Lbs) |
LAT (Lbs) |
AXIAL (Lbs) |
INSULATION THICKNESS |
|||||||||||||||||||
|
6" |
6-1/2" |
7" |
7-1/2" |
8" |
|||||||||||||||||||
|
BOP (in) |
INSUL OD (in) |
OAW (in) |
OAH (in) |
BOP (in) |
INSUL OD (in) |
OAW (in) |
OAH (in) |
BOP (in) |
INSUL OD (in) |
OAW (in) |
OAH (in) |
BOP (in) |
INSUL OD (in) |
OAW (in) |
OAH (in) |
BOP (in) |
INSUL OD (in) |
OAW (in) |
OAH (in) |
||||
|
1" |
400 |
140 |
640 |
8 |
14 |
15.5 |
16 |
8 |
15 |
16.5 |
16.5 |
10 |
16 |
17.5 |
19 |
10 |
17 |
18 |
19.5 |
10 |
18 |
19 |
20 |
|
1‐1/2" |
580 |
205 |
930 |
8 |
15 |
16.5 |
17 |
8 |
16 |
17.5 |
17.5 |
10 |
17 |
18 |
20 |
10 |
18 |
19 |
20.5 |
10 |
19 |
20 |
21 |
|
2" |
720 |
255 |
1160 |
8 |
15 |
16.5 |
17 |
8 |
16 |
17.5 |
17.5 |
10 |
17 |
18 |
20 |
10 |
18 |
19 |
20.5 |
10 |
19 |
20 |
21 |
|
2‐1/2" |
870 |
305 |
1410 |
8 |
16 |
17.5 |
18 |
8 |
17 |
18 |
18.5 |
10 |
18 |
19 |
21 |
10 |
19 |
20 |
21.5 |
10 |
20 |
20.5 |
22 |
|
3" |
1060 |
375 |
2400 |
8 |
16 |
17.5 |
18.5 |
8 |
17 |
18 |
19 |
10 |
18 |
19 |
21.5 |
10 |
19 |
20 |
22 |
10 |
20 |
20.5 |
22.5 |
|
4" |
1680 |
590 |
2900 |
8 |
17 |
18 |
19.5 |
8 |
18 |
19 |
20 |
10 |
19 |
20 |
22.5 |
10 |
20 |
20.5 |
23 |
10 |
21 |
21.5 |
23.5 |
|
6" |
2550 |
895 |
3900 |
8 |
19 |
20.5 |
21.5 |
8 |
20 |
21.5 |
22 |
10 |
21 |
22.5 |
24.5 |
10 |
22 |
23.5 |
25 |
10 |
23 |
24 |
25.5 |
|
8" |
3400 |
1190 |
4850 |
8 |
21 |
22.5 |
23.5 |
10 |
22 |
23.5 |
26 |
10 |
23 |
24 |
26.5 |
10 |
24 |
25 |
27 |
10 |
25 |
26 |
27.5 |
|
10" |
4000 |
1400 |
5850 |
8 |
23 |
24 |
25.5 |
10 |
24 |
25 |
28 |
10 |
25 |
26 |
28.5 |
10 |
26 |
27 |
29 |
10 |
27 |
28 |
29.5 |
|
12" |
4400 |
1540 |
6800 |
8 |
25 |
26 |
27.5 |
10 |
26 |
27 |
30 |
10 |
27 |
28 |
30.5 |
10 |
28 |
29 |
31 |
10 |
29 |
30 |
31.5 |
|
14" |
5000 |
1750 |
7350 |
8 |
26 |
27 |
28.5 |
10 |
27 |
28 |
31 |
10 |
28 |
29 |
31.5 |
10 |
29 |
30 |
32 |
10 |
30 |
31 |
32.5 |
|
16" |
5800 |
2030 |
8320 |
10 |
28 |
29 |
32.5 |
10 |
29 |
30 |
33 |
10 |
30 |
31 |
33.5 |
10 |
31 |
32 |
34 |
12 |
32 |
33 |
36.5 |
|
18" |
6400 |
2240 |
9240 |
10 |
30 |
31 |
34.5 |
10 |
31 |
32 |
35 |
10 |
32 |
33 |
35.5 |
10 |
33 |
34 |
36 |
12 |
34 |
35 |
38.5 |
|
20" |
6800 |
2380 |
10200 |
10 |
32 |
33 |
36.5 |
10 |
33 |
34 |
37 |
10 |
34 |
35 |
37.5 |
10 |
35 |
36 |
38 |
12 |
36 |
37 |
40.5 |
|
24" |
7200 |
2520 |
12000 |
10 |
36 |
38 |
41 |
10 |
37 |
39 |
41.5 |
10 |
38 |
40 |
42 |
10 |
39 |
40.5 |
42.5 |
12 |
40 |
41.5 |
45 |
|
30" |
9400 |
3290 |
14900 |
10 |
42 |
43.5 |
47 |
10 |
43 |
44.5 |
47.5 |
10 |
44 |
45.5 |
48 |
12 |
45 |
46.5 |
50.5 |
12 |
46 |
47.5 |
51 |
|
36" |
11000 |
3850 |
17750 |
10 |
48 |
49.5 |
53 |
10 |
49 |
50.5 |
53.5 |
10 |
50 |
51.5 |
54 |
12 |
51 |
52.5 |
56.5 |
12 |
52 |
53.5 |
57 |
|
42" |
12400 |
4340 |
20500 |
10 |
54 |
55.5 |
59 |
10 |
55 |
56.5 |
59.5 |
10 |
56 |
57.5 |
60 |
12 |
57 |
58.5 |
62.5 |
12 |
58 |
59.5 |
63 |
|
48" |
14200 |
4970 |
30920 |
10 |
60 |
61.5 |
65 |
10 |
61 |
62.5 |
65.5 |
10 |
62 |
63.5 |
66 |
12 |
63 |
64.5 |
68.5 |
12 |
64 |
65.5 |
69 |
|
56" |
16600 |
5810 |
36140 |
10 |
68 |
69.5 |
73 |
10 |
69 |
70.5 |
73.5 |
10 |
70 |
71.5 |
74 |
12 |
71 |
72.5 |
76.5 |
12 |
72 |
73.5 |
77 |
|
60" |
17800 |
6230 |
38760 |
10 |
72 |
73.5 |
77 |
10 |
73 |
74.5 |
77.5 |
10 |
74 |
75.5 |
78 |
12 |
75 |
76.5 |
80.5 |
12 |
76 |
77.5 |
81 |
|
66" |
19500 |
6825 |
42460 |
10 |
78 |
79.5 |
82 |
10 |
79 |
80.5 |
82.5 |
10 |
80 |
81.5 |
83 |
12 |
81 |
82.5 |
85.5 |
12 |
82 |
83.5 |
86 |
|
72" |
21300 |
7455 |
46380 |
10 |
84 |
85.5 |
89 |
10 |
85 |
86.5 |
89.5 |
10 |
86 |
87.5 |
90 |
12 |
87 |
88.5 |
92.5 |
12 |
88 |
89.5 |
93 |
