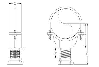
Pipe Saddle Support

Hardware>Pipe Saddles & Supports>Part #660                                                                  Download Part #660 Data Sheet

Part #660
Pipe Saddle Support

pipe saddle support                                 pipe saddle support drawing

Size Range: 4" to 36" 
Material: Carbon steel.
Finish: Black, Galvanized, or coated to customers specifications.
Applications: Stanchion type support where vertical adjustment of stationary pipe is needed.
Approvals: Complies with Manufacturers Standardization Society SP-69 (Type 37)
Installation: Adjustment is made by turning the locknut. The lower end of the locknut is staked, upsetting the threads to prevent separation of locknut and coupling during adjustment.
Ordering: Specify part number, name, finish and pipe size to be supported.

Request a Quote!